|
<< Klik om de inhoudsopgave weer te geven >> Navigatie: Gebruikersinterface > Weergave van het netwerk > Netwerkpresentatie |
Het netwerk is het model van het elektriciteitsnet waarmee berekeningen kunnen worden uitgevoerd. Een netwerk is opgebouwd uit objecten. Objecten zijn de componenten in het netwerk, zoals knooppunten, takken (kabels, lijnen, transformatoren), elementen (belastingen, motoren, generatoren), schakelaars en diverse grafische objecten:
Het netwerk is object-georiënteerd. Dat houdt in dat de wijze waarop de componenten grafisch aan elkaar vastzitten bepaalt hoe het netwerk elektrotechnisch opgebouwd is. Alle componenten zijn objecten. Alle componenten in het netwerk zijn minimaal één keer grafisch gepresenteerd. Het netwerk kan op meerdere bladen worden afgebeeld, zie Blad. Elke component kan op meerdere bladen worden afgebeeld, van waaruit het netwerk verder kan worden opgebouwd, zie Meervoudige objectpresentatie.
Met het definiëren van Views kan de gebruiker zelf de weergave van tekst (zoals naam, type of spanning) bepalen in het schema. Deze weergave verschijnt ook op de grafische afdruk. Gegevens van het netwerk, inclusief resultaten, kunnen ook in rapporten worden bekeken en afgedrukt. Rapporten kunnen worden gedefinieerd.
Bij het netwerk kunnen eigenschappen, commentaar en hyperlinks worden opgeslagen. Deze kunnen worden geraadpleegd en gerapporteerd. Zie Voorbereiden.
Commentaar biedt de mogelijkheid om in vrije tekstvorm achtergrondinformatie op te slaan.
Het is mogelijk om, naast commentaar, een aantal referenties naar documenten, spreadsheets, afbeeldingen of web-adressen als bijlage bij een netwerk op te nemen. Deze referenties zijn geïmplementeerd als hyperlinks. Door erop te klikken wordt het in Windows gedefinieerde bijbehorende programma opgestart om de informatie zichtbaar te maken.
Presentatie van de objecten
Van elk object kan de grafische weergave in het tabblad Presentatie van het betreffende object worden vastgelegd.
De presentatie-eigenschappen van geselecteerde objecten kunnen ook collectief gewijzigd worden via het menu: Start | Presentatie. Er zijn functies voor: kleur, grootte, dikte, tekstgrootte, tekstkleur, tekststijl en tekstzichtbaarheid. Zie ook: Presentatie van objecten.
Fase, Nul, Aarde en Hulp
Bij laagspanningsnetten is het belangrijk om naast de fasen ook te weten hoe het nulnet, het aardnet en het hulpadernet geschakeld is. Met Beeld | View | L, N, PE, h wordt het betreffende net weergegeven. Objecten waar geen fase-, nul-, aard- of hulpgeleider is, worden gestippeld weergegeven. Een koppeling tussen nul en aarde op een knooppunt of in een aansluiting, zonder aansluiting van aardelektrode, wordt met een symbool (omgekeerde T) weergegeven in de N-view. Bij aansluiting van aardelektrode, wordt het bekende aardsymbool getoond.
Knooppunten
Knooppunten in het netwerk zijn bijvoorbeeld de rails in de stations en moffen. Knooppunten zijn onderling verbonden met takken.
Takken
Takken zijn links, kabels, smoorspoelen of transformatoren. Transformatoren verbinden knooppunten met een verschillend spanningsniveau met elkaar.
Elementen
Met elementen wordt levering en opname van elektrische energie gerepresenteerd. Elementen zijn altijd verbonden met een knooppunt. Mogelijke elementen zijn:
•netvoeding
•synchrone generator
•asynchrone generator
•asynchrone motor
•belasting
•PV
•condensator
•nulpuntstransformator
•aansluiting
•accu
Schakelaars en beveiligingen
Elke tak en element kan voorzien worden van schakelaars en beveiligingen. De schakelstanden moeten echter in het formulier van de tak of element worden geopend of gesloten.
De representatie van een vermogenschakelaar, geopende schakelaar en beveiligingsindicator kan in de Opties worden ingesteld bij Editor, Tekenen.
Mogelijke schakelaars en beveiligingen zijn:
•lastschakelaar
•smeltveiligheid
•vermogenschakelaar
•meetveld
Symbolen
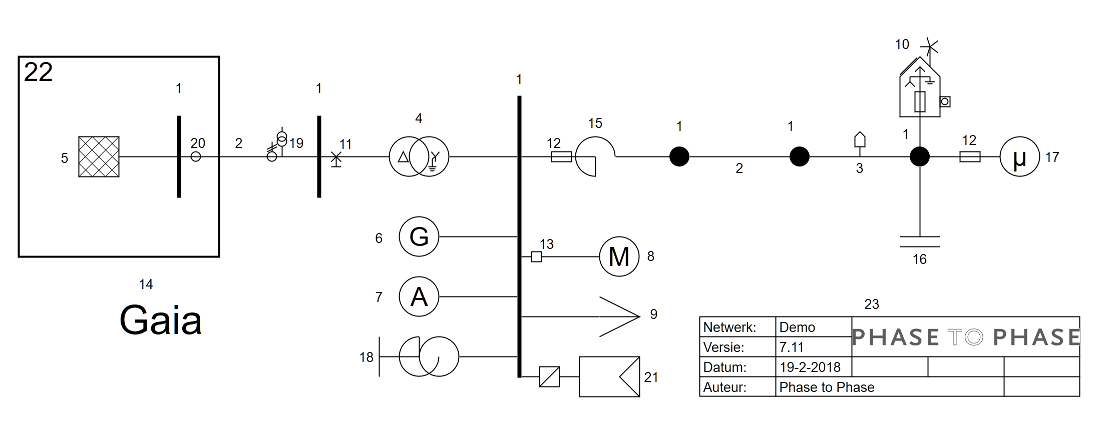
De volgende symbolen worden voor de componenten toegepast.

| 1 | knooppunt |
| 2 | kabel zonder belasting |
| 3 | kabel met belasting |
| 4 | transformator |
| 5 | netvoeding (V) |
| 6 | synchrone generator (G) |
| 7 | asynchrone generator (A) |
| 8 | asynchrone motor (M) |
| 9 | belasting |
| 10 | aansluiting |
| 11 | vermogenschakelaar |
| 12 | smeltveiligheid |
| 13 | open schakelaar |
| 14 | tekst |
| 15 | smoorspoel |
| 16 | condensator |
| 18 | nulpuntstransformator |
| 19 | meetveld |
| 20 | lastschakelaar |
| 21 | PV |
| 22 | kader |
| 23 | legenda |