|
<< Klik om de inhoudsopgave weer te geven >> Navigatie: Berekeningen > IEC 60909 > Power Station Unit |
De Power Station Unit (PSU) wordt in de norm IEC 60909 anders behandeld dan een separate generator en een transformator. Een combinatie van een synchrone generator en een machinetransformator wordt gezien als een opwekeenheid. Generator en transformator worden dan gezamenlijk gemodelleerd. Vision herkent dit indien de transformator een "step-up" transformator is. De berekening volgt de methode voor de on-load tap-changer.
Binnen de IEC-norm worden correctiefactoren voor de generatorimpedantie en de transformatorimpedantie berekend. Deze wijze waarop deze correctiefactoren worden berekend is afhankelijk van de plaats van de kortsluiting:
•aan de hoogspanningszijde van de step-up transformator,
•aan de laagspanningszijde van de step-up transformator en aan de klemmen van de generator
•elders binnen de PSU
Een PSU wordt door Vision herkend aan de step-up-transformator. Dit is gespecificeerd via de checkbox "Step up trafo" op het transformatortabblad "Aansluiting".

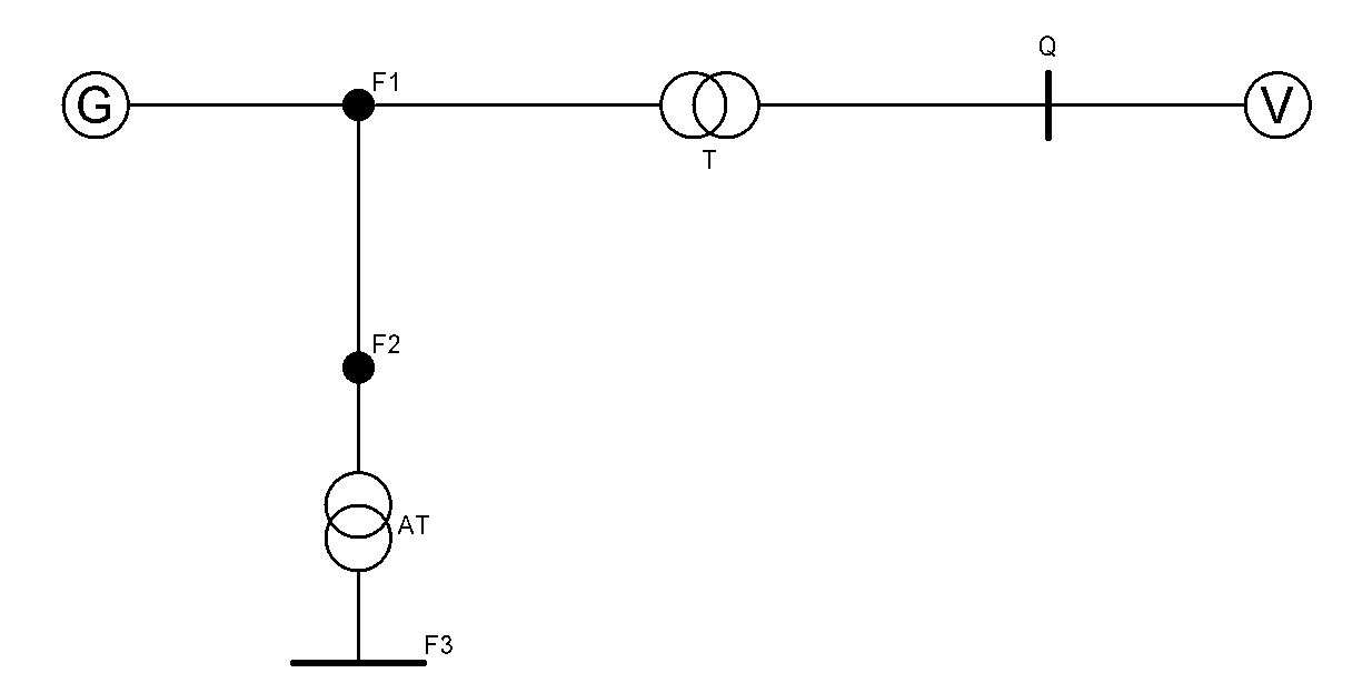
De methode wordt toegelicht aan de hand van het onderstaande diagram uit IEC-clause 4.2.1.3.

In bovenstaand figuur is transformator T de step-up transformator.
In verband met het automatisch herkennen van een combinatie generator/transformator als hart van een PSU, moet de transformator als step-up-transformator zijn aangemerkt en moet de generator rechtstreeks op het LS-knooppunt van de transformator zijn aangesloten.
IEC 60909 onderscheidt voor de PSU:
•kortsluitingen aan de hoogspanningszijde van de step-up-transformator (Q)
•kortsluitingen aan de laagspanningszijde van de step-up-transformator, zijnde het generatorknooppunt (F1)
•kortsluitingen aan de laagspanningszijde van de step-up-transformator, binnen de PSU, niet zijnde het generatorknooppunt (F2 en F3)
Vision herkent deze situaties op de volgende manier:
•Indien de kortsluiting zich bevindt op het knooppunt aan de hoogspanningszijde van de step-up-transformator, dan worden de correctiefactoren berekend volgens een kortsluiting op knooppunt Q.
•Indien de kortsluiting zich bevindt op het knooppunt aan de laagspanningszijde van de step-up-transformator en op dit knooppunt tevens een generator is aangesloten, dan worden de correctiefactoren berekend volgens een kortsluiting op knooppunt F1.
•Indien de kortsluiting zich bevindt op een knooppunt waarvan de nominale spanning kleiner is dan of gelijk aan de nominale spanning van het laagspanningsknooppunt van de step-up-transformator, dan wordt geconcludeerd dat het storingsknooppunt zich binnen de PSU bevindt en worden de correctiefactoren berekend volgens een kortsluiting op knooppunt F2 of F3.
•Indien de kortsluiting zich bevindt op een knooppunt waarvan de nominale spanning groter is dan de nominale spanning van het laagspanningsknooppunt van de step-up- transformator, dan wordt geconcludeerd dat het storingsknooppunt zich buiten de PSU bevindt en worden de correctiefactoren berekend volgens een kortsluiting op knooppunt Q.
Terug naar: